田んぼの水管理はなぜ大切?4種類の分水栓を紹介
水稲栽培において最も重要な作業「水管理」。
今回は、田んぼへの取水調節が簡単に行える4種類の「分水栓」を紹介します。
それぞれの特徴や違いについても説明するので分水栓選びの参考にしてみて下さい。
おすすめの分水栓はこちら≫
水稲栽培での水管理はなぜ大切?
水稲栽培に水管理が重要なのは、酸素の供給が欠かせないからです。
稲には水稲と陸稲の2種類あり、ご存じの通り私たちが食べているお米のほとんどは水稲です。
もともと稲は陸でも田んぼでも育つことができましたが、
長い年月をかけて陸に生育するものと水の多い環境に
生育するものの2種類に分かれていきました。これが水稲と陸稲です。
水稲は発達した通気組織のおかげで水の中でも生育できますが、
酸素が多い環境を好むのは陸稲や他の植物と変わりません。
田んぼにずっと水を貯めたままでは酸欠状態になるため、
生育に合わせた水の管理で健全な生育環境を整える必要があります。
水管理の工程をおさらい!
水稲栽培において特に重要な植え付け直後から刈り取りまでの水管理の工程を見ていきましょう。
植え付け初期
植え付け直後は5~6cm程度の深水管理にします。
これは水の保温効果で苗を保護するためです。
特に寒冷地では、寒さによって苗の活着が遅れることがあるので注意が必要です。
分げつ期~中干し
活着後、穂の数を増やす「分げつ期」に入ったら3~4cm程度の
浅水管理で分げつの発生を促していきましょう。
分げつの発生が終わり茎が伸び始めたら中干しの工程に入ります。
中干しは、土壌に発生する有毒ガスを取り除き、
酸素を供給して健全な根を生長させるための工程です。
開始時期は、穂数と茎数が等しくなる「有効分げつ終期」が適期と言われています。
中干しを行うことで水稲の草姿がよくなり穂が付かない茎の発生を抑えるといった効果もあるため、収量を向上させるためにも重要な作業といえるでしょう。
出穂期~登熟期
出穂期、つまり開花期は水稲栽培の中で最も水を必要とする時期です。
絶対に水を切らさないようにしましょう。
開花が終わり登熟期に入ったら水を入れる工程(湛水)と
水を抜く工程(落水)を数日ごとに繰り返す「間断かんがい」を行いましょう。
酸素と水分の両方を供給できるので根の活力を維持することができます。
刈り取り前の落水
収獲の1~2週間前には刈り取りのための落水を行います。
排水性の良い水田では出穂後30日頃、排水性の悪い水田では25日頃が目安とされています。
収穫時期に水が抜けていないとコンバインでの作業がしにくくなりますが、
作業性を重視して落水を早めすぎるとお米の品質低下にもつながるので注意が必要です。
水管理に欠かせない分水栓とは
分水栓とは、用水路からの水の流入量を調節するもののことを言い、
水田の水口に設置します。
簡単に水量の調節ができるので水管理を楽にしてれるおすすめアイテムです。
さまざまなタイプの分水栓が販売されていますが、
大きく分けるとVU・VPパイプの外側に設置する外側接続と
内側に設置する内側接続の2種類があり、使用目的によって使い分けることができます。
分水栓の接続タイプ
パイプの外側に設置する外側接続と内側に設置する内側接続について詳しく説明していきます。
VU・VPパイプの外側に接続するタイプ
VU・VPパイプの内側に接続するタイプ
小用水路から田んぼへの既設配水管入り口内に差し込んで設置するタイプです。
通水量は弁の開度により調整自由です。
左右どちら側へも開けますが、
必要に応じ弁ストッパー用ネジを取り付けることで片開きにすることも可能です。
水管理を楽に!おすすめの分水栓を紹介
分水栓は通水量を弁の開閉度によって自由に調節できる、
構造が簡単で故障の心配がない商品をご紹介します。
合成樹脂(ABS)製なので耐食、耐寒、耐熱、耐候性に優れているのが特徴です。
取り付けや取り扱いが簡単でどんな場所にも設置できるので、
分水栓をはじめて使用する方にもおすすめの商品です。
弁開閉レバーがないタイプと弁開閉レバー付きタイプに分けて見ていきましょう。
弁開閉レバーなしタイプ
サイズは、65mm、75mm、100mm、125mm、150mm、200mmの6種類となっているので、接続するパイプのサイズを参考に選ぶようにしましょう。
外側接続 KMW1型
KMW1分水栓サイズ表
水口パイプ分水栓 KMW1型(単位:mm)
呼称 | 呼内径 | A | B | C | D | E | 接続管 |
65 | 108 | 127 | 40 | 81 | 71 | VU65 | |
75 | 108 | 127 | 40 | 93 | 82 | VU75 | |
100 | 144 | 170 | 40 | 122 | 107 | VU100 | |
125 | 175 | 207 | 49 | 149 | 132 | VU125 | |
150 | 207 | 245 | 58 | 176 | 166 | VU150 | |
200 | 250 | 296 | 76 | 230 | 205 | VU200 |
内側接続 KMW2型
KMW2分水栓 補足
KMW2-150Pのみ接続管がVPタイプになりますので、ご注意下さい。
KMW2分水栓サイズ表
水口パイプ分水栓 KMW2型(単位:mm)
呼称 | 呼内径 | A | B | C | D | 接続管 |
75 | 108 | 127 | 40 | 71 | VU75 | |
100 | 108 | 127 | 40 | 82 | VU100 | |
125 | 144 | 170 | 40 | 107 | VU125 | |
VP150 | 144 | 170 | 40 | 107 | VP150 | |
150 | 207 | 245 | 58 | 132 | VU150 | |
200 | 207 | 245 | 58 | 156 | VU200 |
弁開閉レバーありタイプ
外側接続 KMW3型
KMW3分水栓サイズ表
水口パイプ分水栓 KMW3型(単位:mm)
呼称 | 呼内径 | A | B | C | D | E | レバー | 接続管 |
65 | 108 | 127 | 40 | 81 | 71 | VP16 | VU-VP65 | |
75 | 108 | 127 | 40 | 93 | 82 | VP16 | VU-VP75 | |
100 | 144 | 170 | 40 | 122 | 107 | VP16 | VU-VP100 | |
125 | 175 | 207 | 49 | 149 | 132 | VP16 | VU-VP125 | |
150 | 207 | 245 | 58 | 176 | 166 | VP16 | VU-VP150 | |
200 | 250 | 296 | 76 | 230 | 205 | VP20 | VU-VP200 |
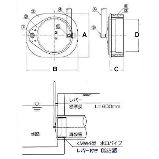
内側接続 KMW4型
KMW4分水栓 補足
弁開閉レバーで水の中に手を入れることなく水量を調節して頂けます。
水口パイプは水路に横向きに取り付け、レバー操作は上下方向ということになります。また、底側弁ストッパー穴に弁ストッパー用ネジを入れることにより確実に止まります。
レバーはVP管を使用していますので現場で継ぎ足すことにより延長が可能です。
KMW4-150Pのみ接続管がVPタイプになりますので、ご注意下さい。
KMW4分水栓サイズ表
水口パイプ分水栓 KMW4型(単位:mm)
呼称 | 呼径 | A | B | C | D | レバー | 接続管 |
75 | 108 | 127 | 40 | 71 | VP16 | VU75 | |
100 | 108 | 127 | 40 | 82 | VU100 | ||
125 | 144 | 170 | 40 | 107 | VU125 | ||
VP150 | 144 | 170 | 40 | 107 | VP150 | ||
150 | 207 | 245 | 58 | 132 | VU150 | ||
200 | 207 | 245 | 58 | 156 | VU200 |
漏水に注意しましょう
分水栓の使用する環境によっては若干の漏水が起こる可能性があります。
そのため、畑作や乾田化させたいときは充分に注意して使用してください。
漏水防止の方法
①異物に注意
②隙間に注意
③時間が経つと止まるかも
まとめ
タイプ | 分水栓種類 | |
弁開閉レバーなしタイプ | ||
弁開閉レバーありタイプ | ||
今回は、自由に水量の調節が行える分水栓を4種類紹介しました。
分水栓は水稲栽培で重要な水管理を少しでも楽に行いたいという方におすすめの商品です。
今回紹介した商品はどれも価格が安く、導入しやすい値段であるというのも魅力のひとつです。
































